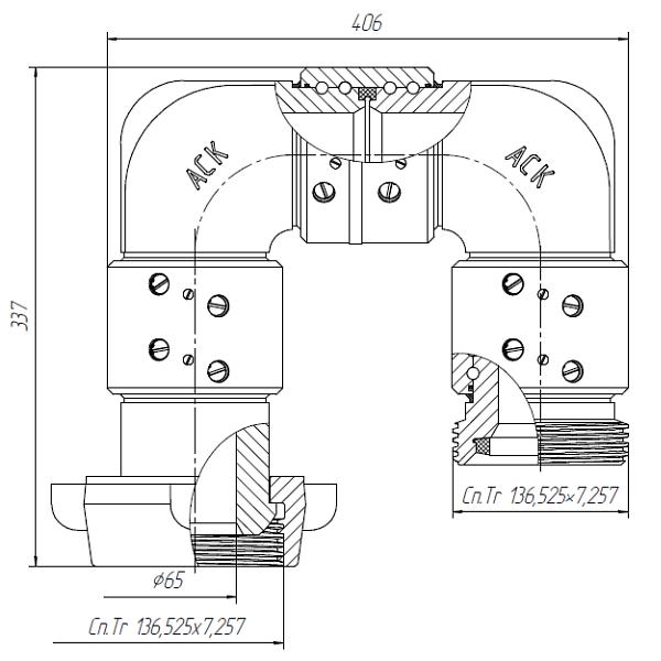
Колено шарнирное КШ-110.00.000-02А
Транспортные компании
交货条件
描述
性能
- 审计
- 未进行
- Рабочее давление
- 110 МПа
- Условный проход
- 65 мм (3")
- Присоединительная резьба
- Cn.Tr.136,525х7,257 (API)
- Масса
- 58 кг
- Длина
- 406 мм
- Ширина
- 250 мм
- Высота
- 337 мм
- Вид климатического исполнения
- УХЛ
- Категория по ГОСТ 15150-69
- 1
- Рабочая среда
- Вода, нефть, нефтепродукты, щелочи, ингибированные растворы кислот, проппант, цементные и глинистые растворы
- Дополнительная опция
- Ду-3" Рр-110 МПа
Документы
ГОСТ 22818-83
321 КБ
PDF
КАТАЛОГ-1.7-1.8
2 МБ
PDF
为您推荐的结果
Подборки товаров в категории Трубы
Трубы гибкие армированныеТрубы обечаечныеТрубы асбестоцементныеДымовые трубыЦентраторыТрубы бесшовные из коррозионностойкой сталиТрубы горячекатаныеТрубы технические Гибкие металлические трубыТрубошпунтТрубы стальные бесшовныеТрубы электросварные прямошовныеПрофильныеТрубы стальные ВГПТрубы газлифтныеТруба гофрированная










