Клин торцовый ШАМ-1/ШБМ-1 № 19, 26, 27 опт
交货条件
描述
性能
- Массовая доля Al2O3, ШЦС/ШЦУ/МКРЦ/МКРПЦ, % не менее
- 30/28
- Огнеупорность ШЦС/ШЦУ/МКРЦ/МКРПЦ, °C не ниже
- 1690/1650
- Дополнительная линейная усадка или рост при температуре 1400°C для изделий подгруппы I, % не более
- ШАМ — 20, ШБМ — 24
- Дополнительная линейная усадка или рост при температуре 1400°C для изделий подгруппы Ⅱ, % не более
- ШАМ — 30, ШБМ — 30
- Предел прочности при сжатии ШЦС/ШЦУ/МКРЦ/МКРПЦ, Н/мм² не менее
- 20
- Предел прочности при сжатии ШАМ подгруппы Ⅱ, Н/мм² не менее
- 15
- Температура начала размягчения ШЦС/ШЦУ/МКРЦ/МКРПЦ, °C не ниже
- 1300
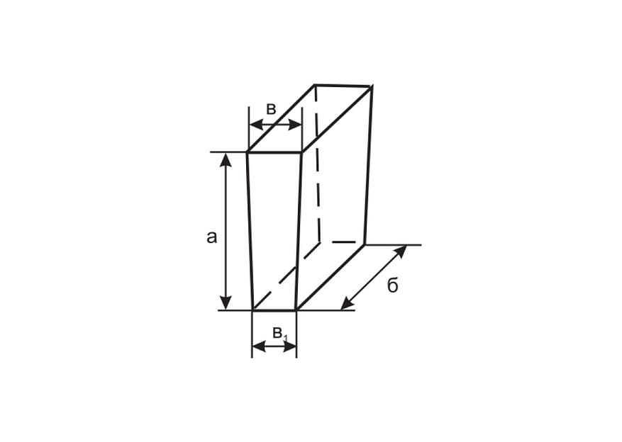
- Размеры № 30, а×б×в×в1 мм
- 300×150×75×68
- Размеры № 31, а×б×в×в1 мм
- 300×225×78×70
- Размеры № 27, а×б×в×в1 мм
- 300×225×88×80
为您推荐的结果
持续性报价, 一点一点
Пищевой рыбий жир в форме TG (standardized 18/12) стандартизированный с ПНЖК не менее 35%Россия, МагаданRUB 1,500
Подборки товаров в категории Блоки строительные
Блоки строительные перегородочныеИзделия огнеупорные шамотные для кладки доменных печейИзделия огнеупорные для футеровки вращающихся печейИзделия фасонные сложные и особосложныеФундаменты под дорожные знаки и светофорыПолистиролбетонФБПБордюрИзделия огнеупорные для кладки воздухонагревателей и воздухопроводов горячего дутья доменных печейПеремычкиУДБКамень керамическийФБСИзделия огнеупорные алюмосиликатные для футеровки вагранокИзделия огнеупорные шамотные общего назначенияПлита









