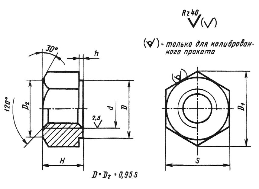
Гайка ГОСТ 10495-80 (шестигранная для фланцевых соединений)
Беру шарттары
Сипаттамасы
Сипаттамалары
- Диаметр
- Для фланцевых соединений арматуры, соединительных частей и трубопроводов, используемых в химической и нефтехимической промышленностях
Сізге арналған ұсынымдар
Тұрақты ұсыныс, даналап
Экран для проектора S'OK SFE-296x165-BK 100'' 4K, напольный с электроприводом, полотно Nanometallic, черныйРоссия, Санкт-ПетербургRUB 113,853Тұрақты ұсыныс, даналап
Решетка настенная однорядная квадратная алюминиевая 1 WA - 250х250г Благовещенск, ул НоваяRUB 806
Подборки товаров в категории Крепёж и фурнитура
АнкерГвоздиКлипсы и скобыБолты и винтыХомуты и стяжкиКрепёжные элементыШтифтыИзолентаУголки Гайки канальныеШурупыУплотнительное кольцоМагнитные держателиТакелажПружиныЦепи, канаты и тросыСоединители ШайбыМуфты соединительныеСтеплеры, скобы Замочные изделияШпилькиМонтажные лентыКронштейныЗаглушкиНагельКонсолиОпорыОсиЗаклёпкиСпециальный крепёжШпоночные пазыСоединительные ленты Мебельная фурнитураДержатели и фиксаторы





