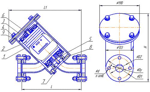
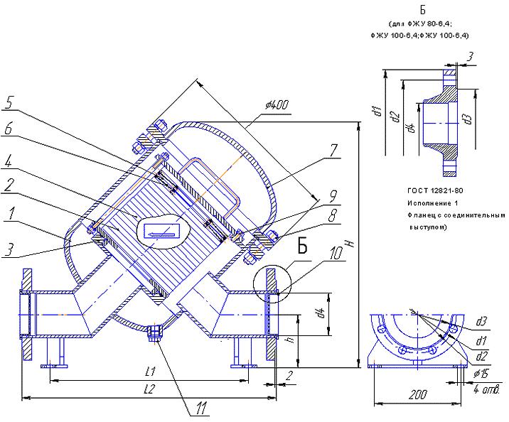
Фильтр ФЖУ с условными проходами 25-100 РУ 1,6
Транспортные компании
Беру шарттары
Сипаттамасы
Сипаттамалары
- Аудиторлық тексеру
- Орындалмаған
- Диаметр условного прохода
- 25, 40, 80, 100 мм
- Рабочее давление
- 1,6 МПа
- Номинальная тонкость фильтрации
- От 40 мкм
- Температура фильтруемой жидкости
- -50...+50 °С
- Составляющие
- Корпус, фильтрующий элемент, крышка, болт, шпилька, гайка специальная, пробка, кольцо, кольцо
Сізге арналған ұсынымдар
Запрос КП
Электронасос 24 В подогревателя 6602.3780-06Россия, Кемеровская областьЖдёт отклика Бюджет анықталмаған
Подборки товаров в категории Запчасти
Запчасти на манипуляторыЗапасные части горно-добывающего оборудованияДля грузовиков и спецтехникиЗапчасти для комбайнов и жатокЗапчасти для почвообрабатывающей техникиЗапчасти для тракторовЗапасные части на дисковые бороныЗапасные части на плугиЗапчасти для сельхозтехникиТокоприемники Гидравлические баки Двигатели Запчасти для водного транспортаРадиаторы АккумуляторыДля погрузчиковДля грузовой спецтехники
















