Вентилятор крышный радиальный ВКР-_-Ф, 3.55
Беру шарттары
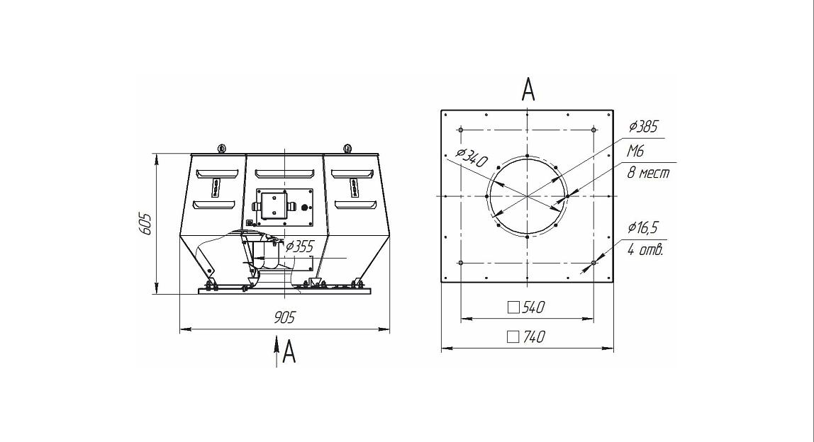
Сипаттамасы
Сипаттамалары
- Размер рабочего колеса
- 3.55
- Давление
- Низкого
- Всасывания
- Одностороннего
- Лопатки
- Назад загнутые
- Количество лопаток
- 10 шт
- Энергоэффективность
- По ГОСТ 31961-2013 — КЛ2
Документы
ОПЦИИ
20 КБ
PDF
ХАРАКТЕРИСТИКИ
42 КБ
PDF
ВАРИАНТЫ ИЗГОТОВЛЕНИЯ
21 КБ
PDF
ЭЛЕМЕНТЫ АВТОМАТИКИ
51 КБ
PDF
Сізге арналған ұсынымдар
Тұрақты ұсыныс, даналап
Пищевой рыбий жир в форме TG (standardized 18/12) стандартизированный с ПНЖК не менее 35%Россия, Магадан1 500 руб.Тұрақты ұсыныс, даналап
Пищевой рыбий жир в форме TG 1611 с ПНЖК не менее 30%Россия, МагаданСұраныс бойыншаЗапрос КП
Биг-бэг 2-х стропный б/у для переработкиРоссия, Челябинская областьЖдёт отклика Бюджет анықталмаған









