Пункты учета и редуцирования газа ПУРДГ
Условия передачи
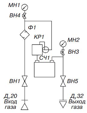
Описание
Характеристики
- Максимальное давление на входе Рmax
- не более 0.6 МПа
- Диапазон настройки для газа на выходе Рвых
- 0,8(80) — 8(800) кПа (мм.вод.ст)
- Пропускная способность для газа с плотностью 0,73 кг/м³ на входе 0,6 МПа Qmax
- 10 либо 25 м³/ч (в зависимости от модификации)
- Масса, ПУРДГ- 6(10)
- 25 кг
- Масса, ПУРДГ-16(25)
- 30 кг
- Температура окружающей среды
- от –30 до +50 °С
Документы
ОПРОСНЫЙ ЛИСТ
542 КБ
PDF
Рекомендации для вас
Постоянное предложение, поштучно
Пищевой рыбий жир rTG 4020 с ПНЖК не менее 65%Россия, МагаданПо запросуПостоянное предложение, поштучно
Пищевой рыбий жир в форме TG (standardized 18/12) стандартизированный с ПНЖК не менее 35%Россия, Магадан1 500 руб.Постоянное предложение, поштучно
Пищевой рыбий жир в форме TG 1611 с ПНЖК не менее 30%Россия, МагаданПо запросуЗапрос КП
Биг-бэг 2-х стропный б/у для переработкиРоссия, Челябинская областьЖдёт отклика Бюджет не определён










