Наконечник кабельный штыревой алюмомедный НШАМ 16
Условия передачи
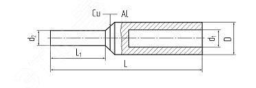
Описание
Характеристики
- Тип изделия
- Наконечник
- Диапазон сечений
- 16
- Длина, мм
- 18
- Материал изделия
- Медь
- Напряжение, В
- 35000
- Сечение жилы, мм2
- 16
- Диаметр внутренний, мм
- 6.3x6
- Нормативный документ
- ТУ 3449-043-97284872-2011
- Материал жилы
- Алюминий
- Номинальное напряжение, кВ
- 35
- Способ монтажа
- Опрессовка
- Дополнительная информация
- Обеспечивают прямое подключение проводов СИП к автомату без использования дополнительных приспособлений
- Сфера применения
- Для оконцевания опрессовкой алюминиевых кабелей и проводов и последующего подключения их к выводам автоматических выключателей и прочим устройствам с ограниченной шириной контактной клеммы.
Рекомендации для вас
Постоянное предложение, поштучно
Мотор (двигатель) для пылесосов Xiaomi mijia G1 mijia SMARTMI MJSTG1Россия, Санкт-ПетербургRUB 2,926Постоянное предложение, поштучно
Аккумуляторная батарея ExeGate DT 1209 (12V 9Ah, клеммы F1)Россия, Санкт-ПетербургRUB 1,496
Подборки товаров в категории Электроснабжение
Муфты соединительныеСветодиодное освещение Трансформаторы и комплектующиеКлеммы, сжимы, кабельные наконечникиПереключателиКонтакторыЭлектроприводыДатчики и индикаторыКабеленесущие системыБлоки и элементы питанияАнтенны и комплектующиеМолниезащита и заземлениеВтулки предохранительныеКабельная канализация Удлинители и переходникиСтабилизаторы и перебойникиРозетки вилки и выключателиСистемы безопасностиОсвещениеЭлектромонтажный инструментШинопровод и комплектующиеКабельная арматураПрофиль и фурнитура для светодиодного освещенияЭлектрощитовое оборудованиеКольца и втулки МУВПИзоляторыКабели и провода







