Кирпич подвесной ШБ(ШБС)/ША (ШСА) № 88, 89, 90 опт
Условия передачи
Описание
Характеристики
- Физико-химические показатели
- ГОСТ 390-2018 «Изделия огнеупорные шамотные и полукислые общего назначение и массового производства. Технические условия»
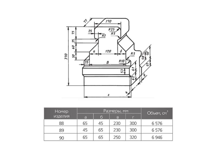
- Форма и размеры
- ГОСТ 8691-2018 «Изделия огнеупорные общего назначения. Форма и размеры»
- Массовая доля Al2O3 ШБ
- не менее 28 %
- Массовая доля Al2O3 ША
- не менее 30 %
- Огнеупорность ШБ
- не ниже 1650 °C
- Огнеупорность ША
- не ниже 1690 °C
- Дополнительная линейная усадка при температуре 1400 °C
- не более 0,5 %
- Открытая пористость для изделий подгруппы I ШБ/ША
- не более 24 %
- Открытая пористость для изделий подгруппы II ШБ/ША
- не более 30 %
- Предел прочности при сжатии, для изделий подгруппы I ША
- не менее 20 H/мм²
- Предел прочности при сжатии, для изделий подгруппы II ША
- не менее 15 H/мм²
- Температура начала размягчения ША
- не ниже 1300 °C
- Размеры № 100-1, 100-2 а×б×в×д d, d1, мм
- 65×45×230×300
- Объём № 100-1, 100-2, см³
- 6 576
- Размеры № 101-1, 101-2 а×б×в×д; d, d1, мм
- 45×65×230×300
- Объём № 101-1, 101-2, см³
- 6 576
- Размеры № 102-1, 102-2, а×б×в×д; d, d1, мм
- 65×65×250×320
- Объём № 90, см³
- 6 946
Рекомендации для вас
Постоянное предложение, поштучно
Пищевой рыбий жир rTG 4020 с ПНЖК не менее 65%Россия, МагаданПо запросуПостоянное предложение, поштучно
Пищевой рыбий жир в форме TG (standardized 18/12) стандартизированный с ПНЖК не менее 35%Россия, Магадан1 500 руб.Постоянное предложение, поштучно
Пищевой рыбий жир в форме TG 1611 с ПНЖК не менее 30%Россия, МагаданПо запросуЗапрос КП
Биг-бэг 2-х стропный б/у для переработкиРоссия, Челябинская областьЖдёт отклика Бюджет не определён
Подборки товаров в категории Блоки строительные
Блоки строительные перегородочныеИзделия огнеупорные шамотные для кладки доменных печейИзделия огнеупорные для футеровки вращающихся печейФундаменты под дорожные знаки и светофорыПолистиролбетонФБПБордюрИзделия огнеупорные для кладки воздухонагревателей и воздухопроводов горячего дутья доменных печейПеремычкиКлинУДБКамень керамическийФБСИзделия огнеупорные алюмосиликатные для футеровки вагранокИзделия огнеупорные шамотные общего назначенияПлита









