Реле контроля и защиты РКЗ-25-ИМ
Условия передачи
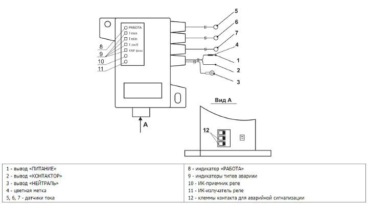
Описание
Характеристики
- Модель
- РКЗ-25-ИМ
- Контролируемые токи
- 2-25 А
- Рекомендуемые значения Iном
- 3-17 А
- Рекомендуемые электроустановки по мощности
- 0,75-7,5 кВт
- Шаг
- 0,1 А
Документы
ТЕХНИЧЕСКИЙ ПАСПОРТ РКЗ-ИМ
2 МБ
PDF
Рекомендации для вас
Постоянное предложение, поштучно
Тонер-картридж повышенной емкости тип IM C2500H малиновый Ricoh IM C2500H (842313)Россия, Санкт-ПетербургRUB 11,019Постоянное предложение, поштучно
Большегрузные колёса с полиуретановым контактным слоем серия F-APS 100C-TКазахстан, АстанаПо запросуПостоянное предложение, поштучно
Задвижка латунь клиновая ВР для трубКраснодарский Край, г. КраснодарRUB 250
Подборки товаров в категории Электрооборудование
Стабилизаторы напряженияФонариЭлектроприводы для воздушных клапановКоммутаторы, маршрутизаторы, точки доступаРеле и автоматикаКорпусы и шкафыБлочные трансформаторные подстанцииГидромолотКомплектующие для светильниковУстройства управления АД с фазным роторомКомплектующие к солнечным и ветровым ЭСУстройства управления электродвигателями, пускатели, контакторы и аксессуары к нимКомпьютерыРозеточные щитыЭлектрощитыТрансформаторыВодоснабжениеРаспределительные щитыНизковольтные комплектные устройстваЩитки заземленияЭлектрооборудование для медициныЭлектромонтажная продукцияСетевое оборудование и связьКонтроллеры (ПЛК)Кабельные соединители Информационные кабельные системы Дверные звонкиКомплектные трансформаторные подстанцииТрансформаторные подстанцииБлоки, щиты, шкафы управленияПанели распределительных щитовСварочные электродыМолниезащита и заземлениеТиристорные устройства плавного пуска большой мощностиКомплектующие для ПККомплектующие для силовых трансформаторовБесперебойное питаниеГазопоршневые станцииСистемы электропитанияПреобразователи частотыПрожекторы Защитное электрооборудованиеЯщики управленияТиристорные регуляторы напряженияКабельные роликиВакуумные выключателиПечатные платыГидротолкатели Электронные компоненты, аксессуары и телекоммуникацииКамеры КСО Офисная техникаБатареи и аккумуляторыМагнитопроводВысоковольтное оборудованиеСетевые фильтрыШкафы управленияТерминалы сбора данных









