Задвижки стальные литые
Условия передачи
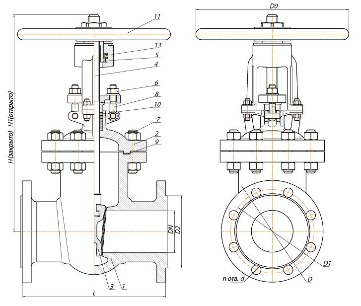
Описание
Характеристики
- Аудиторская проверка
- Не проводилась
- Диаметр DN (Ду)
- До 1000 мм
- Давление PN (Ру)
- От 16 МПа
- Функция
- Запорная
- Корпус
- Сталь 20Л
- Способ управления
- Ручной (маховик)
- Рабочая среда
- Жидкости и газы, неагрессивные к материалам задвижки
- Температура среды
- До +450 °С
- Климат
- У1
- Тип присоединения
- Фланцевое
- Назначение
- Управление потоками рабочих сред
Рекомендации для вас
Постоянное предложение, поштучно
Задвижка стальная фланцевая 30с41нж (Ру-16) Ду 150 ммКазахстан, Алматы≈34 205 руб.Запрос КП
Задвижка фланцевая с обрезиненным клином (ДУ 80 РУ 16)Казахстан, Мангистауская областьЖдёт отклика Бюджет не определёнПостоянное предложение, поштучно
Задвижка чугунная с обрезиненным клином с маховиком ПИК 30ч39р ДУ100 оптРоссия, Белгородская областьПо запросуПостоянное предложение, поштучно
Задвижка с обрезиненным клином Rushwork DN125 PN16Россия, Московская областьПо запросу















