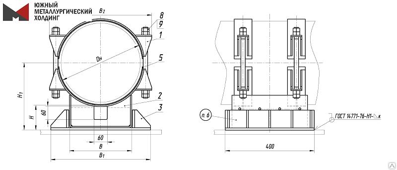
Опора скользящая ТПР.05.21(1).00.000
Условия передачи
Описание
Характеристики
Рекомендации для вас
Постоянное предложение, поштучно
Плинтус пластиковый для ковровых покрытий с самоклеющейся лентой для общественных учреждений ОПТКазахстан, АлматыПо запросуПостоянное предложение, поштучно
Радиатор масляный Centek CT-6203-9 2400Вт белыйРоссия, Санкт-Петербург6 744 руб.Постоянное предложение, поштучно
Түйіршіктер (түйіршіктер) жеңіл 1000 кг ОПТОМРоссия, Московская областьПо запросу









