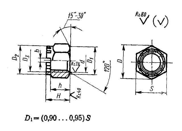
Гайка ГОСТ 10609-72 (шестигранная корончатая с уменьшенным размером «под ключ»)
Условия передачи
Описание
Характеристики
- Аудиторская проверка
- Не проводилась
- Диаметр резьбы
- свыше 48 мм
- Класс точности
- А
Рекомендации для вас
Постоянное предложение, поштучно
Гайка турбокомпрессора двигателя (обмедненная) 4110000924181/29000388847, оптРоссия, СевастопольПо запросуПостоянное предложение, поштучно
Гайки высокопрочные шестигранные ГОСТ Р 53644-2009Россия, ЧелябинскПо запросу
Подборки товаров в категории Крепёж и фурнитура
АнкерШтифтыИзолентаУголки Гайки канальныеШурупыУплотнительное кольцоМагнитные держателиТакелажПружиныЦепи, канаты и тросыСоединители ШайбыМуфты соединительныеСтеплеры, скобы Замочные изделияШпилькиМонтажные лентыЗаглушкиНагельКонсолиОпорыОсиЗаклёпкиГвоздиКлипсы и скобыБолты и винтыХомуты и стяжкиКрепёжные элементыКронштейныСпециальный крепёжШпоночные пазыСоединительные ленты Мебельная фурнитураДержатели и фиксаторы










