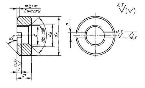
Гайка ГОСТ 10657-80 (круглая со шлицем на торце)
Условия передачи
Описание
Характеристики
- Диаметр резьбы
- 1–20 мм
- Класс точности
- В
- Материал
- сталь, латунь
Подборки товаров в категории Крепёж и фурнитура
АнкерГвоздиКлипсы и скобыБолты и винтыХомуты и стяжкиКрепёжные элементыШтифтыИзолентаУголки Гайки канальныеШурупыУплотнительное кольцоМагнитные держателиТакелажПружиныЦепи, канаты и тросыСоединители ШайбыМуфты соединительныеСтеплеры, скобы Замочные изделияШпилькиМонтажные лентыКронштейныЗаглушкиНагельКонсолиОпорыОсиЗаклёпкиСпециальный крепёжШпоночные пазыСоединительные ленты Мебельная фурнитураДержатели и фиксаторы



