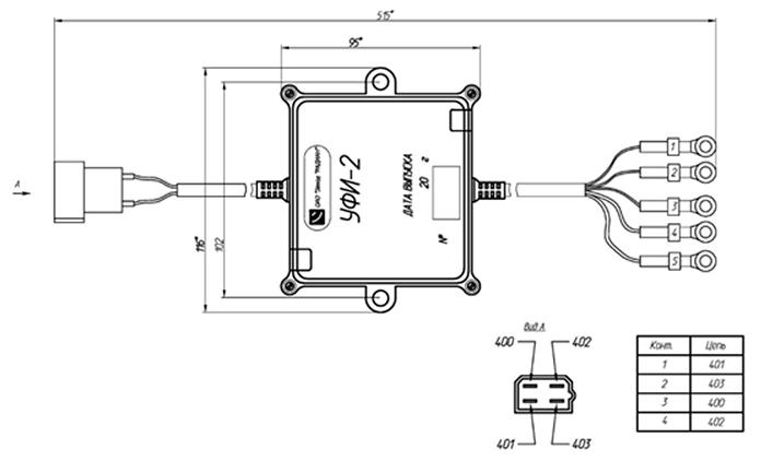
Усилитель-формирователь импульсов двухканальный УФИ-2
Условия передачи
Описание
Характеристики
- Номинальное напряжение питания, В
- 10...15
- Ток потребления, А, не более
- 0,2
- Амплитуда выходного сигнала, В не менее
- 10
- Коэффициент усиления, ДБ, не менее
- 10
- Частота среза низких частот, кГц
- 2,5...5,5
Рекомендации для вас
Постоянное предложение, поштучно
Стол раздвижной овальный с узором 1200*800*770г Екатеринбург, пер Автоматики37 150 руб.Постоянное предложение, поштучно
Акриловая светодиодная фигура "Снеговик в шляпе" 38х38х72 см, IP65, понижающий трансформатор в комплекте NEON-NIGHTРоссия, Санкт-Петербург12 213 руб.Постоянное предложение, поштучно
Отпариватель вертикальный PGS 1820VA белый POLARISРоссия, Санкт-Петербург6 277 руб.











