Указатель уровня жидкости Т-45-2
Условия передачи
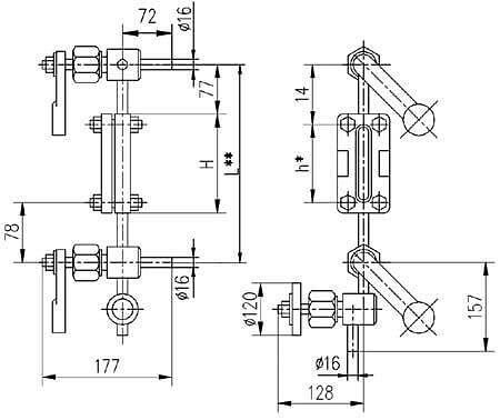
Описание
Характеристики
- Типоразмер
- № 1
- Номинальный диаметр (DN)
- 10 мм
- Номинальное давление (PN)
- 2,5 МПа
- Рабочая среда
- Пар, вода
- Максимальная температура рабочей среды
- 225 °C
- Строительная длина
- 400 мм
- Установочное положение
- Вертикальное
- Масса
- 11,5 кг
- Гарантийная наработка
- 200000 ч
- Назначенный срок хранения
- 30 месяцев
Рекомендации для вас
Постоянное предложение, поштучно
Perfeo мышь беспров., оптич. "SLIM", 3 кн, DPI 1200, USB, чёрнаяРоссия, Санкт-Петербург412 руб.Постоянное предложение, поштучно
Sensor Euro – универсальное напольное покрытие, толщина 7 мм, Цвет Голубой RAL 5012, Толщина модуля 7 мм.г Пермь, ул Куйбышева737 руб.Постоянное предложение, поштучно
Папка на молнии ZIP Бюрократ -BPM4ATURGBL A4+ полипропилен 0.15мм бирюзовый цвет молнии черныйРоссия, Санкт-Петербург49 руб.Постоянное предложение, поштучно
Лампа LED GAUSS E27, груша, 20Вт, Elementary A60, одна шт. [23229]Москва, 1-ая Дубровская360 руб.
Подборки товаров в категории Водоснабжение и сантехника
КрепёжФильтрующая загрузка (водоочистка)Запорная арматураКомплектующие для систем водоочисткиКанализацияЗащита от протечек водыКомплектующие водоснобженияПоплавковый уровнемерКольца колодезныеКолонки водоразборныеИзмерительные приборыСантехника и товары для ванной комнатыДетали трубопроводов, хомуты и крепёжЁмкости и резервуары для водыЗапорная арматураСистемы дорожного водоотводаНасосное оборудованиеФильтрыНагревательные системыСчётчикиСтроительство прудовКанализацияВодостокСтанции повышения давления (СПД) и пожаротушения (СПТ)Водоотведение и дренажЛивневые очистные сооруженияМусоропроводСантехника и товары для ванной комнатыМанжеты и рукава высокого давленияЭлементы трубопроводаПодводка для воды Люки и комплектующие для колодцевФильтры, грязевики, элеваторы и воздухоотводчики Жироуловители и пескоуловителиГидроаккумуляторыСмесителиСистема автоматического поливаМотопомпыТройники, переходники и отводыРевизионные люки Расходные материалы для сантехникиДождепреемникТрубы и фитингиСпецтехникаГидромеханизацияСантехника








![Лампа LED GAUSS E27, груша, 20Вт, Elementary A60, одна шт. [23229] фото 1](https://api.bb.market/bb_storage/files/media/1449720/0/lampa-led-gauss-e27-grusha-20vt-elementary-a60-odna-sht-23229.jpg?variant=h512)