Реле контроля и защиты РКЗ-50-ИМ
Условия передачи
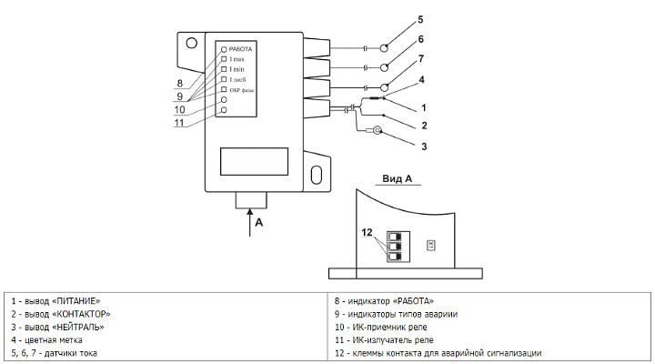
Описание
Характеристики
- Модель
- РКЗ-50-ИМ
- Контролируемые токи
- 5-50 А
- Рекомендуемые значения Iном
- 17-40 А
- Рекомендуемые электроустановки по мощности
- 7,5-18,5 кВт
- Шаг
- 0,2 А
Документы
ТЕХНИЧЕСКИЙ ПАСПОРТ РКЗ-ИМ
2 МБ
PDF
Рекомендации для вас
Постоянное предложение, поштучно
Пищевой рыбий жир rTG 4020 с ПНЖК не менее 65%Россия, МагаданПо запросуПостоянное предложение, поштучно
Пищевой рыбий жир в форме TG (standardized 18/12) стандартизированный с ПНЖК не менее 35%Россия, Магадан1 500 руб.Постоянное предложение, поштучно
Пищевой рыбий жир в форме TG 1611 с ПНЖК не менее 30%Россия, МагаданПо запросуЗапрос КП
Биг-бэг 2-х стропный б/у для переработкиРоссия, Челябинская областьЖдёт отклика Бюджет не определён
Подборки товаров в категории Электрооборудование
Вакуумные выключателиПечатные платыГидротолкатели Системы электропитанияПреобразователи частотыКомплектующие для силовых трансформаторовБесперебойное питаниеЭлектронные компоненты, аксессуары и телекоммуникацииКамеры КСО Офисная техникаБатареи и аккумуляторыМагнитопроводСтабилизаторы напряженияФонариЭлектроприводы для воздушных клапановКоммутаторы, маршрутизаторы, точки доступаРеле и автоматикаКорпусы и шкафыБлочные трансформаторные подстанцииГидромолотКомплектующие для светильниковУстройства управления АД с фазным роторомКомплектующие к солнечным и ветровым ЭСУстройства управления электродвигателями, пускатели, контакторы и аксессуары к нимКомпьютерыРозеточные щитыЭлектрощитыТрансформаторыВодоснабжениеРаспределительные щитыНизковольтные комплектные устройстваЩитки заземленияЭлектрооборудование для медициныЭлектромонтажная продукцияСетевое оборудование и связьКонтроллеры (ПЛК)Кабельные соединители Информационные кабельные системы Дверные звонкиКомплектные трансформаторные подстанцииТрансформаторные подстанцииБлоки, щиты, шкафы управленияПанели распределительных щитовСварочные электродыМолниезащита и заземлениеТиристорные устройства плавного пуска большой мощностиГазопоршневые станцииПрожекторы Защитное электрооборудованиеЯщики управленияТиристорные регуляторы напряженияКабельные роликиВысоковольтное оборудованиеСетевые фильтрыШкафы управленияТерминалы сбора данныхКомплектующие для ПК









