Затвор дисковый с ручным управлением редуктор DN 500
Условия передачи
Описание
Характеристики
- Рабочая среда
- Вода; растворы кислот, щелочей и других химических реагентов
- Класс герметичности
- А по ГОСТ 9544-2015. Пробное вещество «вода»
- Коэффициент гидравлического сопротивления, не более
- 1.0
- Направление подачи среды
- Любое
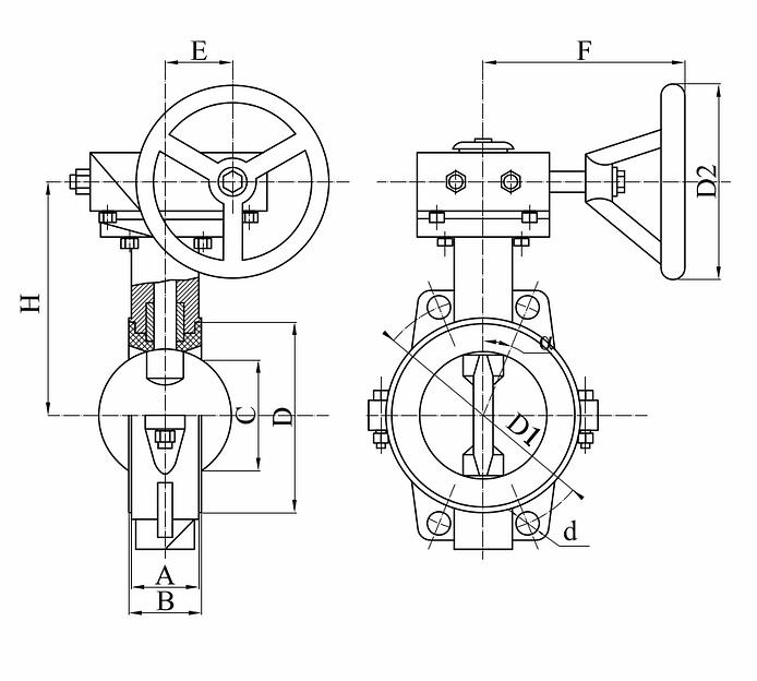
- Присоединительные размеры и размеры уплотнительных поверхностей фланцев
- Тип 01 или тип 11, исполнение В по ГОСТ 33259-2015
- DN, мм
- 500
- Размер, А
- 127
- Размер, В
- 133
- Размер, С
- 473
- Размер, D
- 535
- Размер, D2
- 300
- Размер, E
- 179
- Размер, F
- 278
- Размер, H
- 278
- D1, PN, МПа — 1.0/1.6
- 620/650
- d, PN, МПа — 1.0/1.6
- 9°/33
- a, PN, МПа — 1.0/1.6
- 9
- Корпус затвора сталь, чугун, кг
- 185
Документы
КАТАЛОГ ПРОМАРМАТУРА
7 МБ
PDF
Рекомендации для вас
Постоянное предложение, поштучно
Вакуумный упаковщик Kitfort КТ-1517 130Вт серебристый/черныйРоссия, Санкт-Петербург7 754 руб.Постоянное предложение, поштучно
Коврик резиновый 1180х850х8 мм жёлтый/оранжевый ОПТРоссия, Челябинская область800 руб.Постоянное предложение, поштучно
Кабелерез усиленный Deli DL20138 250мм, максимальный диаметр реза 11ммРоссия, Санкт-Петербург1 368 руб.































