Оптический усилитель VERMAX для сетей КТВ, 2 входа, 16*22dBm выходов, PON фильтр
Transfer koşulları
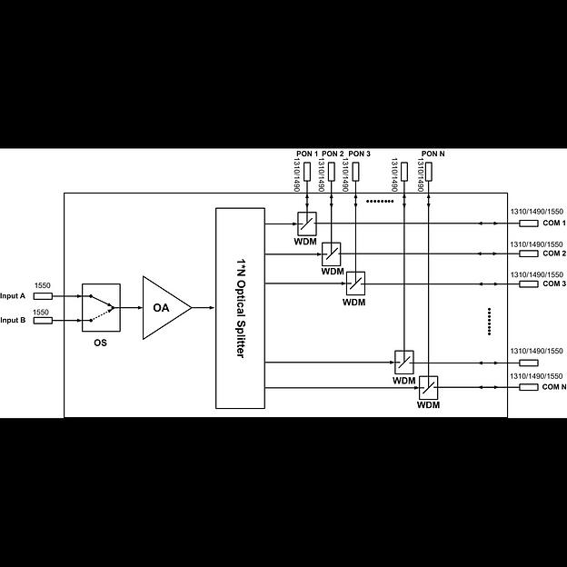
Açıklama
Özellikler
- Входная мощность, дБм
- -5 ... +10
- ВЕС, КГ
- 6
- Стабильность выходной мощности, дБм
- ±0.5
- Вносимые потери, дБ
- ≤ 1.0
- Утечка накачки по входу, дБм
- ≤ -30
- Утечка накачки по выходу, дБм
- ≤ -30
- Время переключения, мс
- ≤ 500
- Поляризационно-зависимое усиление, дБ
- <0.5
- Поляризационно-модовая дисперсия, пс
- <0.5
- Диапазон регулировки оптической мощности, дБм
- 4
- Выходная оптическая мощность, дБм
- 22
- Коэффициент шума, дБ
- ≤ 5.0
- C/CTB, дБ
- 63
- C/CSO, дБ
- 63
- WDM фильтр
- Да
- Режим переключения
- Автоматически, относительно порогового значения, с возвратом на основной канал при восстановлении
- Длина волны, нм
- 1545-1565
- Общая потребляемая мощность, Вт
- ≤ 50
- Напряжение питания, В
- 160-250 (DC 48 Опционально)
- Рабочая относительная влажность воздуха, %
- < 85%
- C/N, дБ
- ≥ 50
- Количество входов
- 2
- Управление и мониторинг
- WEB, SNMP
- Тип разъемов
- SC/APC, LC/APC
- Габаритные размеры, мм
- 483 x 440 x 88
- Рабочая температура, °С
- -10 ... +50
- Количество выходов
- 16
- Температура хранения, °С
- -40 ... +80
- Общая выходная оптическая мощность, дБм
- 36
- Обратные потери по входу, дБ
- ≥ 45
- Обратные потери по выходу, дБ
- ≥ 45
#D2510146936
Daimi teklif, adetlik
ТКС-1 сенсор термокаталитический на углеводородные газы для СММ-1, СМС-1, СМС-2, СМС-2/1, СИГМА, ДТК1-3,0, Сигнал-4г Смоленск, ул 25 СентябряRUB 3.965Daimi teklif, adetlik
Термоэтикетки эко 100х150 мм, 1000 шт. втулка 40г. Москва, улица Кусковская 20АRUB 1.150Daimi teklif, adetlik
Микрометр листовой МЛ 10 кл.2 ( новый с хранения)г. Киров, ул. ЛенинаRUB 6.500









