Приёмник оптический для сетей КТВ Vermax-LTP-112-7-IDN
Transfer koşulları
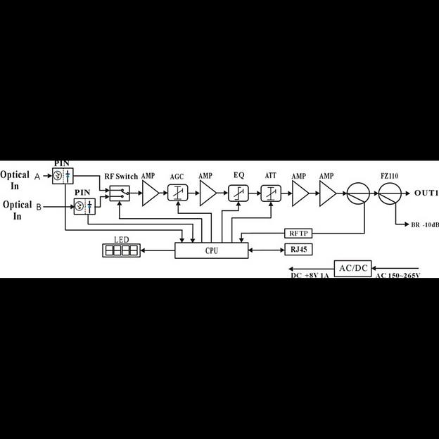
Açıklama
Özellikler
- Тип оптического разъема
- SC/APC
- Оптическая длина волны, нм
- 1100 ~ 1600
- C/N, дБ
- ≥ 51
- Кол-во оптических входов
- 2
- Потребляемая мощность, Вт
- ≤ 8
- Рабочая температура, °С
- -40...+60
- Диапазон работы АРУ, дБм
- -9...+2
- WDM фильтр
- Нет
- Габариты, мм
- 190 x 110 x 52
- Электронная регулировка усиления (ATT), дБмкВ и АЧХ (EQ), дБ
- 0~15
- Максимальный уровень выходного сигнала, дБмкВ (АРУ от -7дБм)
- ≥110 (вход -9...+2) ≥ 114 (вход -7...+2)
- Рабочий уровень выходного сигнала, дБмкВ (АРУ от -9дБм)
- ≥ 108 (вход -7...+2)
- Неравномерность АЧХ, дБ
- ≤±1
- Частота ВЧ выхода, МГц
- 45 ~862/1000
- Входные потери на отражение дБ
- >45
- Управление и мониторинг
- WEB, SNMP
- Тип оптического волокна
- Одномодовое
- Выходная мощность RF порта
- 112
- Выходное сопротивление,Ом
- 75
- Напряжение питания, В
- A: AC (150~265)
- Кол-во RF выходов
- 2
- Рабочая входная оптическая мощность, дБм
- -7
#D2510146988
Daimi teklif, adetlik
Двухдиапазонная Wi-Fi Mesh система 3NODE NOVA MW6-3 TENDAРоссия, Санкт-ПетербургRUB 11.463Daimi teklif, adetlik
Память оперативная Samsung Electronics M321R2GA3EB2-CCPPCРоссия, Санкт-ПетербургRUB 15.802Daimi teklif, adetlik
Смартфон ULEFONE Armor 23 Ultra 12/512Gb, оранжевый / черныйМосква, 1-ая ДубровскаяRUB 48.990









