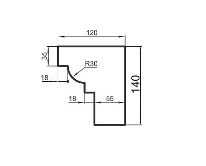
Фасадные подоконники ФП-27
Shipping condition
Description
Specifications
- Ширина, мм
- 140
- Толщина, мм
- 120
- Длина, мм
- 2000
- Поверхность
- Фигурная
- Назначение
- Обрамление окон
Документы
А4 КАТАЛОГ КРИВЫЕ
10 МБ
PDF
Recommendations for you
Permanent offer, piece by piece
Папка с 20 прозр.вклад. Deli EB032 A4 полипропилен ассортиРоссия, Санкт-ПетербургRUB 274Permanent offer, piece by piece
Бур Bosch 2608597779 Д=6.5мм Дл=265мм (1пред.) для перфораторовРоссия, Санкт-ПетербургRUB 424Permanent offer, piece by piece
Водоочиститель Гейзер Самогоныч белыйРоссия, Санкт-ПетербургRUB 10,559Permanent offer, piece by piece
Штрих М7Т 30-5,10 А (со стойкой) версия 3.2 LCD, LED весы торговые. max-15/30кг, d-5/10гг. Москва, ул. ПоликарповаRUB 3,050














