Оптический усилитель VERMAX для сетей КТВ, 16*20dBm, WDM фильтр PON
Shipping condition
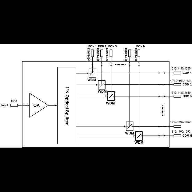
Description
Specifications
- Входная мощность, дБм
- -5 ... +10
- ВЕС, КГ
- 6
- Тип разъемов
- SC/APC
- Стабильность выходной мощности, дБм
- ±0.5
- Утечка накачки по входу, дБм
- ≤ -30
- Утечка накачки по выходу, дБм
- ≤ -30
- Поляризационно-зависимое усиление, дБ
- <0.5
- Поляризационно-модовая дисперсия, пс
- <0.5
- Диапазон регулировки оптической мощности, дБм
- 4
- Выходная оптическая мощность, дБм
- 20
- Коэффициент шума, дБ
- ≤ 5.0
- C/CTB, дБ
- 63
- C/CSO, дБ
- 63
- WDM фильтр
- Да
- Длина волны, нм
- 1545-1565
- Общая потребляемая мощность, Вт
- ≤ 50
- Напряжение питания, В
- 160-250 (DC 48 Опционально)
- Рабочая относительная влажность воздуха, %
- < 85%
- C/N, дБ
- ≥ 50
- Управление и мониторинг
- WEB, SNMP
- Габаритные размеры, мм
- 483 x 440 x 88
- Рабочая температура, °С
- -10 ... +50
- Количество выходов
- 16
- Температура хранения, °С
- -40 ... +80
- Обратные потери по входу, дБ
- ≥ 45
- Обратные потери по выходу, дБ
- ≥ 45
- Количество входов
- 1
Recommendations for you
Permanent offer, piece by piece
Полифонический динамик (Buzzer) для iPhone 11Россия, Санкт-ПетербургRUB 209Permanent offer, piece by piece
Корпус ZALMAN M5, MATX, BLACK, WINDOW, 1xCombo (3.5'' or 2.5''), 1x3.5", 2x2.5", 1xUSB2.0, 1xUSB3.0, 1xUSB Type-C, FRONT 3x120mm ARGB, REAR 1x120mm ARGBРоссия, Санкт-ПетербургRUB 6,499Permanent offer, piece by piece
Отвод стальной 45 градусов 108х6 09Г2Сг. Екатеринбург, ул. АртинскаяRUB 730







