Патрон токарный для больших деталей 3205-1800
Shipping condition
Description
Specifications
- Артикул
- 3205-1800
- Назначение
- Для крепления и фиксации деталей большого размера
- Метод обработки
- Индукционная закалка
- Количество кулачков
- 3 шт
- Тип крепления
- Простое заднее DIN 6350
- Точность
- Стандарт
- Тип кулачков
- Цельные кулачки
- Диаметр
- 1800 мм
- Масса
- 3000 кг
- Материал корпуса
- Чугун
- Сквозное отверстие
- Да
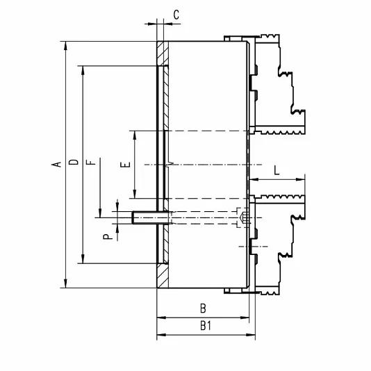
- B
- 200 мм
- C
- 12 мм
- В1
- 209,8 мм
- D
- 720 мм
- Е
- 578 мм
- F
- 647,6 мм
- L
- 102,0 мм
- Р
- 6xM30
- Для станков
- STARDA FORCE
Recommendations for you
Permanent offer, piece by piece
Мини валик в сборе "Для работ по Дереву"- 150мм L ручка 30см /45г Уссурийск, ул НекрасоваRUB 64Permanent offer, piece by piece
Кронштейн для телевизора Hama 00220843 черный 37"-120" макс.100кг настенный фиксированныйРоссия, Санкт-ПетербургRUB 3,334Permanent offer, piece by piece
Коммутатор HUAWEI S310-24T4S L2+ (static route), 24*10/100/1000BASE-T ports, 4*GE SFP ports,Россия, Санкт-ПетербургRUB 35,592








