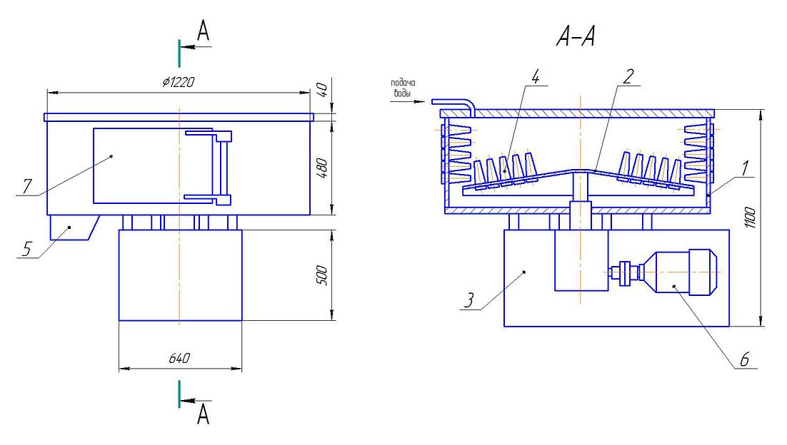
Машина для снятия пера птицы МОП-2-01.00.000
Транспортные компании
O'tkazish shartlari
Tavsif
Xarakteristikalar
- Auditorlik tekshiruvi
- Amalga oshirilmadi
- Назначение
- Удаление оперения с тушек
- Длина
- 1312 мм
- Ширина
- 1240 мм
- Высота
- 1165
- Материал
- Нержавеющая сталь
- Мощность
- 2,2 кВт
- Регулировка машины по высоте и ширине
- Да
- Расход горячей воды
- 1,5 м³ /час
- Температура воды
- +40 °C
- Разновидность птицы
- Сухопутная, водоплавающая
Siz uchun tavsiyalar
Doimiy taklif, donalab
Автоматическая машина для производства бумажных конвертов ZF-380Aг Благовещенск, ш ИгнатьевскоеRUB 000 420 1
Подборки товаров в категории Конвейерное оборудование
Смесители промышленныеДробильно-сортировочное оборудованиеРоликовые конвейерыГидроциклоныПресс - ГрануляторДозаторы автоматическиеПокрасочные камерыЛавные скребковые конвейерыКовшовые конвейерыЦентрифугиКонвейерные ленты и плоские транспортерные ремниЛенточные конвейерыГрунтосмесительные установкиАсфальтобетонные заводыКомплектующиеДля выдува тарыБетонные заводыЛинии грануляцииКонвейерное оборудованиеСкребковые конвейерыНатяжные станцииВиброоборудованиеАсфальтовые заводыВинтовые конвейерыЛенточные конвейерыКонвейеры пластинчатыеКомплектующие для конвейеровОборудование для розлива жидкостейСушильное оборудование Укупорочные машиныФормовочные автоматыЦепные конвейерыЖелобчатые конвейерыЧиллерыПластинчатые конвейерыПитателиАвтоматизированные заправочные стендыБетонные заводыЭлектрогидравлические прессы


















