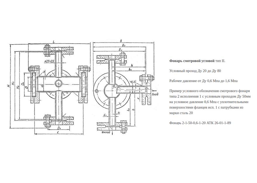
Фонарь смотровой трубопроводный
O'tkazish shartlari
Tavsif
Xarakteristikalar
Siz uchun tavsiyalar
Doimiy taklif, donalab
Изолента ПВХ 0.13х19мм (рул.20м) желт./зел. SE IMT1920YGРоссия, Санкт-ПетербургRUB 166Doimiy taklif, donalab
Прочее Пружина ролика отделения в лотке 302RV09180 для KYOCERA ECOSYS M2040/M2540 (CET), CET551003 (CET551003)Россия, Санкт-ПетербургRUB 154Doimiy taklif, donalab
Подложка под торт Круг полистирол 36 см белыйг Москва, проезд НововладыкинскийRUB 357












