Затвор дисковый с гидроприводом ГПН DN 80
Транспортные компании
交货条件
描述
性能
- 审计
- 未进行
- Рабочая среда
- Вода; растворы кислот, щелочей и других химических реагентов
- Класс герметичности
- А по ГОСТ 9544-2015. Пробное вещество «вода»
- Коэффициент гидравлического сопротивления, не более
- 1.0
- Направление подачи среды
- Любое
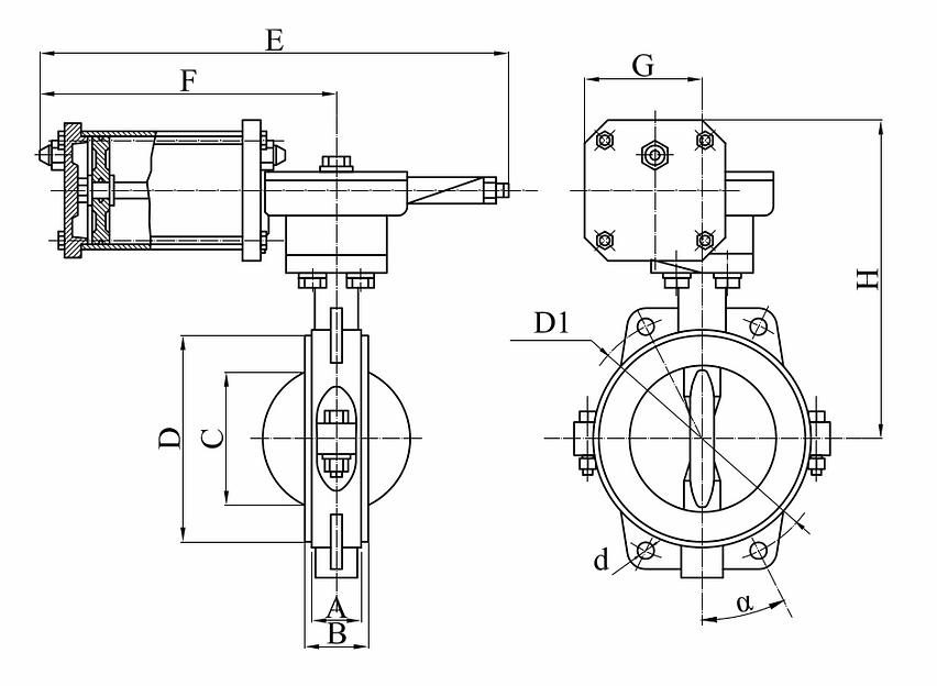
- Присоединительные размеры и размеры уплотнительных поверхностей фланцев
- Тип 01 или тип 11, исполнение В по ГОСТ 33259-2015
- DN, мм
- 80
- PN, МП
- 1.0; 1.6
- Размер, мм, А
- 46
- Размер, мм, В
- 51
- Размер, мм, С
- 61
- Размер, мм, D
- 122
- Размер, мм, D1
- 160
- Размер, мм, d
- 18
- Размер, мм, E
- 510
- Размер, мм, F
- 304
- Размер, мм, G
- 100
- Размер, мм, H
- 233
- Размер, мм, a
- 45°
- Модель ГПН
- ГПН-50
- Масса, кг, не более
- 18.0
Документы
КАТАЛОГ ПРОМАРМАТУРА
7 МБ
PDF

















