Затвор дисковый с ручным управлением редуктор DN 350
Транспортные компании
Transfer koşulları
Açıklama
Özellikler
- Denetim
- Yapılmadı
- Рабочая среда
- Вода; растворы кислот, щелочей и других химических реагентов
- Класс герметичности
- А по ГОСТ 9544-2015. Пробное вещество «вода»
- Коэффициент гидравлического сопротивления, не более
- 1.0
- Направление подачи среды
- Любое
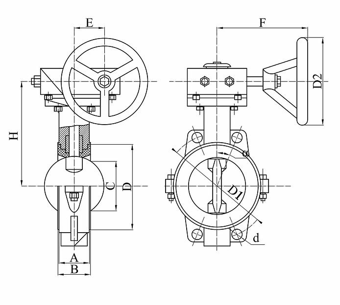
- Присоединительные размеры и размеры уплотнительных поверхностей фланцев
- Тип 01 или тип 11, исполнение В по ГОСТ 33259-2015
- DN, мм
- 350
- Размер, А
- 78
- Размер, В
- 83
- Размер, С
- 345
- Размер, D
- 404
- Размер, D2
- 300
- Размер, E
- 84
- Размер, F
- 214
- Размер, H
- 375
- D1, PN, МПа — 1.0/1.6
- 460/470
- d, PN, МПа — 1.0/1.6
- 11°15'/26
- a, PN, МПа — 1.0/1.6
- 11°15'
- Корпус затвора сталь, чугун, кг
- 100.0
Документы
КАТАЛОГ ПРОМАРМАТУРА
7 МБ
PDF
Daimi teklif, adetlik
Затвор дисковый с ручным управлением редуктор DN 800Россия, Санкт-ПетербургTalep üzerineDaimi teklif, adetlik
Затвор дисковый с ручным управлением редуктор DN 500Россия, Санкт-ПетербургTalep üzerine

















