Затвор дисковый с ручным управлением редуктор DN 80
Транспортные компании
Transfer koşulları
Açıklama
Özellikler
- Denetim
- Yapılmadı
- Рабочая среда
- Вода; растворы кислот, щелочей и других химических реагентов
- Класс герметичности
- А по ГОСТ 9544-2015. Пробное вещество «вода»
- Коэффициент гидравлического сопротивления, не более
- 1.0
- Направление подачи среды
- Любое
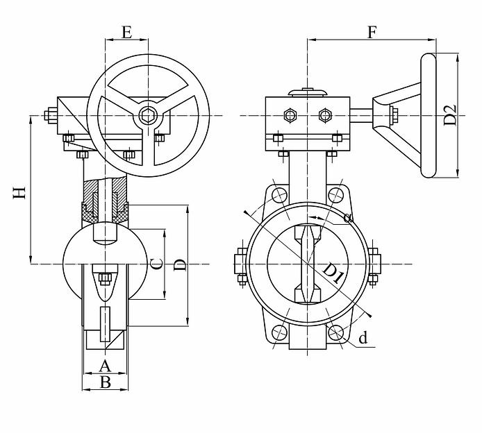
- Присоединительные размеры и размеры уплотнительных поверхностей фланцев
- Тип 01 или тип 11, исполнение В по ГОСТ 33259-2015
- DN, мм
- 80
- Размер, А
- 46
- Размер, В
- 51
- Размер, С
- 61
- Размер, D
- 122
- Размер, D2
- 160
- Размер, E
- 52
- Размер, F
- 163
- Размер, H
- 159
- D1, PN, МПа — 1.0/1.6
- 160
- Размер, мм, G
- 18
- Размер, мм, Hmax
- 45°
- Корпус затвора сталь, чугун, кг
- 8.1
- Корпус затвора сталь, алюминии, кг
- 5.7
Документы
КАТАЛОГ ПРОМАРМАТУРА
7 МБ
PDF
Daimi teklif, adetlik
Затвор дисковый с ручным управлением редуктор DN 800Россия, Санкт-ПетербургTalep üzerineDaimi teklif, adetlik
Затвор дисковый с ручным управлением редуктор DN 500Россия, Санкт-ПетербургTalep üzerine

















