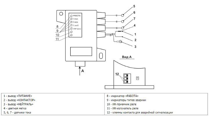
Реле контроля и защиты РКЗ-250-ИМ
Shipping condition
Description
Specifications
- Модель
- РКЗ-250-ИМ
- Контролируемые токи
- 20-250 А
- Рекомендуемые значения Iном
- 40-210 А
- Рекомендуемые электроустановки по мощности
- 18,5-110 кВт
- Шаг
- 1 А
Документы
ТЕХНИЧЕСКИЙ ПАСПОРТ РКЗ-ИМ
2 МБ
PDF
Recommendations for you
Permanent offer, piece by piece
Пищевой рыбий жир rTG 4020 с ПНЖК не менее 65%Россия, МагаданПо запросуPermanent offer, piece by piece
Пищевой рыбий жир в форме TG (standardized 18/12) стандартизированный с ПНЖК не менее 35%Россия, МагаданRUB 1,500Permanent offer, piece by piece
Пищевой рыбий жир в форме TG 1611 с ПНЖК не менее 30%Россия, МагаданПо запросуЗапрос КП
Биг-бэг 2-х стропный б/у для переработкиРоссия, Челябинская областьЖдёт отклика The budget has not been defined
Подборки товаров в категории Электрооборудование
Вакуумные выключателиПечатные платыГидротолкатели Системы электропитанияПреобразователи частотыКомплектующие для силовых трансформаторовБесперебойное питаниеЭлектронные компоненты, аксессуары и телекоммуникацииКамеры КСО Офисная техникаБатареи и аккумуляторыМагнитопроводСтабилизаторы напряженияФонариЭлектроприводы для воздушных клапановКоммутаторы, маршрутизаторы, точки доступаРеле и автоматикаКорпусы и шкафыБлочные трансформаторные подстанцииГидромолотКомплектующие для светильниковУстройства управления АД с фазным роторомКомплектующие к солнечным и ветровым ЭСУстройства управления электродвигателями, пускатели, контакторы и аксессуары к нимКомпьютерыРозеточные щитыЭлектрощитыТрансформаторыВодоснабжениеРаспределительные щитыНизковольтные комплектные устройстваЩитки заземленияЭлектрооборудование для медициныЭлектромонтажная продукцияСетевое оборудование и связьКонтроллеры (ПЛК)Кабельные соединители Информационные кабельные системы Дверные звонкиКомплектные трансформаторные подстанцииТрансформаторные подстанцииБлоки, щиты, шкафы управленияПанели распределительных щитовСварочные электродыМолниезащита и заземлениеТиристорные устройства плавного пуска большой мощностиГазопоршневые станцииПрожекторы Защитное электрооборудованиеЯщики управленияТиристорные регуляторы напряженияКабельные роликиВысоковольтное оборудованиеСетевые фильтрыШкафы управленияТерминалы сбора данныхКомплектующие для ПК









