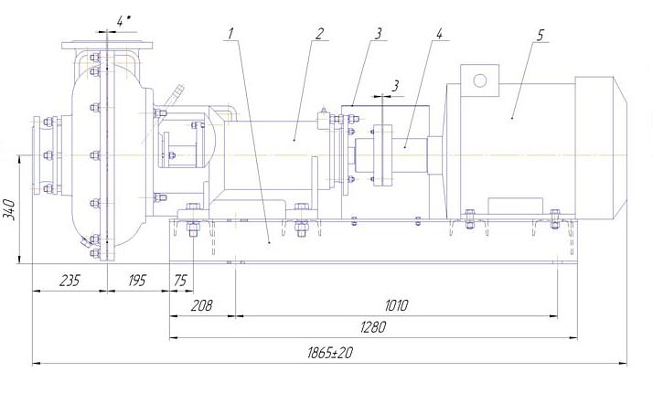
Грунтовый центробежный насос 2ГрТ(К) 160/32
Shipping condition
Description
Specifications
- Подача воды в сальник
- 4,5 м³/ч
- Подача
- 160 м³/ч
- Напор
- 32 м
- Частота вращения
- 1450 об/мин
- Тип передачи
- Упругая муфта
- КПД
- 60 %
- Максимальная крупность твердых частиц в перекачиваемой гидросмеси
- 6 мм
- Плотность перекачиваемой гидросмеси
- 1600 кг/м³
- Мощность электродвигателя
- 37 кВт
- Микротвёрдость
- До 11000 МПа
Recommendations for you
Permanent offer, piece by piece
Источник бесперебойного питания модульный MTIРоссия, МоскваПо запросу
Подборки товаров в категории Насосное оборудование
ШламовыеПомповые насосыЭлектрические водяные насосыНасосные установки пожаротушенияРоторные и шестеренчатыеКолодезныеЦиркуляционныеВакуумные насосыКомплектующие к насосамРедукционно-охладительные и охладительные установкиСкважинныеВинтовыеАвтоматическиеНасосы погружныеПоверхностныеДренажныеУстановки повышенного давления









