Затвор дисковый с гидроприводом ГПН DN 250
Транспортные компании
Shipping condition
Description
Specifications
- Auditing
- Not conducted
- Рабочая среда
- Вода; растворы кислот, щелочей и других химических реагентов
- Класс герметичности
- А по ГОСТ 9544-2015. Пробное вещество «вода»
- Коэффициент гидравлического сопротивления, не более
- 1.0
- Направление подачи среды
- Любое
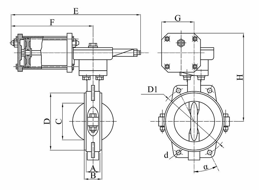
- Присоединительные размеры и размеры уплотнительных поверхностей фланцев
- Тип 01 или тип 11, исполнение В по ГОСТ 33259-2015
- DN, мм
- 250
- PN, МП
- 1.0; 1.6
- Размер, мм, А
- 68
- Размер, мм, В
- 73
- Размер, мм, С
- 239
- Размер, мм, D
- 310
- Размер, мм, D1
- 350/355
- Размер, мм, d
- 22/26
- Размер, мм, E
- 591
- Размер, мм, F
- 362
- Размер, мм, G
- 145
- Размер, мм, H
- 365
- Размер, мм, a
- 15°
- Модель ГПН
- ГПН-250
- Масса, кг, не более
- 48.0
Документы
КАТАЛОГ ПРОМАРМАТУРА
7 МБ
PDF
Recommendations for you
Permanent offer, piece by piece
Затвор дисковый с электроприводом DN 50Россия, Санкт-ПетербургПо запросуPermanent offer, piece by piece
Затвор дисковый с ручным управлением редуктор DN 800Россия, Санкт-ПетербургПо запросуPermanent offer, piece by piece
Затвор дисковый с ручным управлением редуктор DN 500Россия, Санкт-ПетербургПо запросуPermanent offer, piece by piece
Затвор дисковый с электроприводом DN 100Россия, Санкт-ПетербургПо запросу

















