Затвор дисковый с ручным управлением редуктор DN 50
Транспортные компании
Shipping condition
Description
Specifications
- Auditing
- Not conducted
- Рабочая среда
- Вода; растворы кислот, щелочей и других химических реагентов
- Класс герметичности
- А по ГОСТ 9544-2015. Пробное вещество «вода»
- Коэффициент гидравлического сопротивления, не более
- 1.0
- Направление подачи среды
- Любое
- Присоединительные размеры и размеры уплотнительных поверхностей фланцев
- Тип 01 или тип 11, исполнение В по ГОСТ 33259-2015
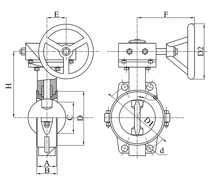
- DN, мм
- 50
- Размер, А
- 43
- Размер, В
- 48
- Размер, С
- 28
- Размер, D
- 94
- Размер, D2
- 160
- Размер, E
- 52
- Размер, F
- 163
- Размер, H
- 139
- D1, PN, МПа — 1.0/1.6
- 125
- Размер, мм, G
- 18
- Размер, мм, Hmax
- 45°
- Корпус затвора сталь, чугун, кг
- 6.8
- Корпус затвора сталь, чугун, кг
- 4.9
Документы
КАТАЛОГ ПРОМАРМАТУРА
7 МБ
PDF
Recommendations for you
Permanent offer, piece by piece
Затвор дисковый с электроприводом DN 50Россия, Санкт-ПетербургПо запросуPermanent offer, piece by piece
Затвор дисковый с ручным управлением редуктор DN 800Россия, Санкт-ПетербургПо запросуPermanent offer, piece by piece
Затвор дисковый с ручным управлением редуктор DN 500Россия, Санкт-ПетербургПо запросуPermanent offer, piece by piece
Затвор дисковый с электроприводом DN 100Россия, Санкт-ПетербургПо запросу

















